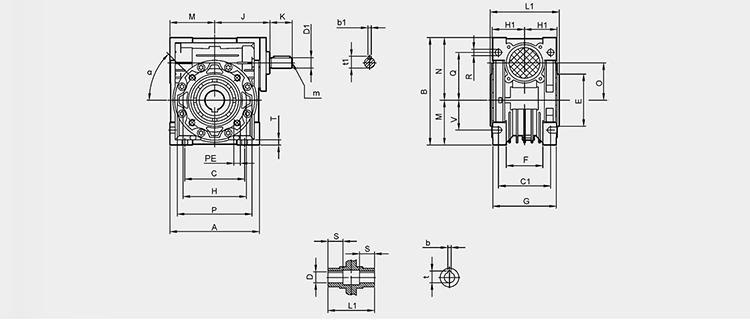
RV Series Worm Gear Speed Reducer Outline Dimension
The following is the outline dimensional figure and table of the RV series electric motor and speed reducer.
NMRV 025
Outline dimension figure
Outline dimension table 1
| NMRV | A | B | C | Cl | D(H8) | E(h8) | F | G | H | H1 | I | L1 | M | N | O |
| 030 | 80 | 97 | 54 | 44 | 14 | 55 | 32 | 56 | 65 | 29 | 55 | 63 | 40 | 57 | 30 |
| 040 | 100 | 121.5 | 70 | 60 | 18(19) | 60 | 43 | 71 | 75 | 36.5 | 70 | 78 | 50 | 71.5 | 40 |
| 050 | 120 | 144 | 80 | 70 | 25(24) | 70 | 49 | 85 | 85 | 43.5 | 80 | 92 | 60 | 84 | 50 |
| 063 | 144 | 174 | 100 | 85 | 25(28) | 80 | 67 | 103 | 95 | 53 | 95 | 112 | 72 | 102 | 63 |
| 075 | 172 | 205 | 120 | 90 | 28(35) | 95 | 72 | 112 | 115 | 57 | 112.5 | 120 | 86 | 119 | 75 |
| 090 | 206 | 238 | 140 | 100 | 35(38) | 110 | 74 | 130 | 130 | 67 | 129.5 | 140 | 103 | 135 | 90 |
| 110 | 255 | 295 | 170 | 115 | 42 | 130 | - | 144 | 165 | 74 | 160 | 155 | 127.5 | 167.5 | 110 |
| 130 | 293 | 335 | 200 | 120 | 45 | 180 | - | 155 | 215 | 81 | 179 | 170 | 146.5 | 187.5 | 130 |
| 150 | 340 | 400 | 240 | 145 | 50 | 180 | - | 185 | 215 | 96 | 210 | 200 | 170 | 230 | 150 |
Outline dimension table 2
| NMRV | P | Q | R | S | T | V | PE | b | t | α | Kg |
| 030 | 75 | 44 | 6.5 | 21 | 5.5 | 27 | M6x11(n=4) | 5 | 16.3 | 0° | 1.2 |
| 040 | 87 | 55 | 6.5 | 26 | 6.5 | 35 | M6x8(n=4) | 6 | 20.8(21.8) | 45° | 2.3 |
| 050 | 100 | 64 | 8.5 | 30 | 7 | 40 | M8x10(n=4) | 8 | 28.3(27.3) | 45° | 3.8 |
| 063 | 110 | 80 | 8.5 | 36 | 8 | 50 | M8x14(n = 8) | 8 | 28.3(31.3) | 45° | 6.2 |
| 075 | 140 | 93 | 11 | 40 | 10 | 60 | M8x14(n = 8) | 8(10) | 31.3(38.3) | 45° | 9 |
| 090 | 160 | 102 | 13 | 45 | 11 | 70 | M10x18(n = 8) | 10 | 38.3(41.3) | 45° | 13 |
| 110 | 200 | 125 | 14 | 50 | 14 | 85 | M10x18(n = 8) | 12 | 45.3 | 45° | 42.5 |
| 130 | 250 | 140 | 16 | 60 | 15 | 100 | M12x21(n = 8) | 14 | 48.8 | 45° | 59 |
| 150 | 250 | 180 | 18 | 72.5 | 18 | 120 | M12x21(n = 8) | 14 | 53.8 | 45° | 87 |
NRV
Outline dimension figure
Outline dimension table 1
| NRV | A | B | C | C1 | D(H8) | D1G6) | E(h8) | F | G | H | H1 | J | K | L1 | M | N | O |
| 030 | 80 | 97 | 54 | 44 | 14 | 9 | 55 | 32 | 56 | 65 | 29 | 51 | 20 | 63 | 40 | 57 | 30 |
| 040 | 100 | 121.5 | 70 | 60 | 18(19) | 11 | 60 | 43 | 71 | 75 | 36.5 | 60 | 23 | 78 | 50 | 71.5 | 40 |
| 050 | 120 | 144 | 80 | 70 | 25(24) | 14 | 70 | 49 | 85 | 85 | 43.5 | 74 | 30 | 92 | 60 | 84 | 50 |
| 063 | 144 | 174 | 100 | 85 | 25(28) | 19 | 80 | 67 | 103 | 95 | 53 | 90 | 40 | 112 | 72 | 102 | 63 |
| 075 | 172 | 205 | 120 | 90 | 28(35) | 24 | 95 | 72 | 112 | 115 | 57 | 105 | 50 | 120 | 86 | 119 | 75 |
| 090 | 206 | 238 | 140 | 100 | 35(38) | 24 | 110 | 74 | 130 | 130 | 67 | 125 | 50 | 140 | 103 | 135 | 90 |
| 110 | 255 | 295 | 170 | 115 | 42 | 28 | 130 | - | 144 | 165 | 74 | 142 | 60 | 155 | 127.5 | 167.5 | 110 |
| 130 | 293 | 335 | 200 | 120 | 45 | 30 | 180 | - | 155 | 215 | 81 | 162 | 80 | 170 | 146.5 | 187.5 | 130 |
| 150 | 340 | 400 | 240 | 145 | 50 | 35 | 180 | - | 185 | 215 | 96 | 195 | 80 | 200 | 170 | 230 | 150 |
Outline dimension table 2
| NRV | P | Q | R | S | T | V | PE | b | b1 | t | t1 | m | α | Kg |
| 030 | 75 | 44 | 6.5 | 21 | 5.5 | 27 | M6x11(n=4) | 5 | 3 | 16.3 | 10.2 | 一 | 0° | 1.2 |
| 040 | 87 | 55 | 6.5 | 26 | 6.5 | 35 | M6x8(n=4) | 6 | 4 | 20.8(21.8) | 12.5 | 一 | 45° | 2.3 |
| 050 | 100 | 64 | 8.5 | 30 | 7 | 40 | M8x10(n=4) | 8 | 5 | 28.3(27.3) | 16.0 | M6 | 45° | 3.8 |
| 063 | 110 | 80 | 8.5 | 36 | 8 | 50 | M8x14(n = 8) | 8 | 6 | 28.3(31.3) | 21.5 | M6 | 45° | 6.2 |
| 075 | 140 | 93 | 11 | 40 | 10 | 60 | M8x14(n=8) | 8(10) | 8 | 31.3(38.3) | 27.0 | M8 | 45° | 9 |
| 090 | 160 | 102 | 13 | 45 | 11 | 70 | M10x18(n = 8) | 10 | 8 | 38.3(41.3) | 27.0 | M8 | 45° | 13 |
| 110 | 200 | 125 | 14 | 50 | 14 | 85 | M10x18(n = 8) | 12 | 8 | 45.3 | 31.0 | M10 | 45° | 42.5 |
| 130 | 250 | 140 | 16 | 60 | 15 | 100 | M12x21(n = 8) | 14 | 8 | 48.8 | 33.0 | M10 | 45° | 59 |
| 150 | 250 | 180 | 18 | 72.5 | 18 | 120 | M12x21(n = 8) | 14 | 10 | 53.8 | 38 | M12 | 45° | 87 |
DRV
Outline dimension figure
Outline dimension table 1
| DRV | A | A1 | B | C | C1 | D(H8) | D1(i6) | E(h8) | F | G | H | H1 | H2 | I | J | K | |L | L1 | M | M1 |
| 025/030 | 80 | 70 | 97 | 54 | 44 | 14 | 一 | 55 | 32 | 56 | 65 | 29 | 22.5 | 45 | 一 | 一 | 100 | 63 | 40 | 35 |
| 025/040 | 100 | 70 | 121.5 | 70 | 60 | 18(19) | 一 | 60 | 43 | 71 | 75 | 36.5 | 22.5 | 45 | 一 | 一 | 115 | 78 | 50 | 35 |
| 030/040 | 100 | 80 | 121.5 | 70 | 60 | 18(19) | 9 | 60 | 43 | 71 | 75 | 36.5 | 29 | 55 | 51 | 20 | 120 | 78 | 50 | 40 |
| 030/050 | 120 | 80 | 144 | 80 | 70 | 25(24) | 9 | 70 | 49 | 85 | 85 | 43.5 | 29 | 55 | 51 | 20 | 130 | 92 | 60 | 40 |
| 030/063 | 144 | 80 | 174 | 100 | 85 | 25(28) | 9 | 80 | 67 | 103 | 95 | 53 | 29 | 55 | 51 | 20 | 145 | 112 | 72 | 40 |
| 040/075 | 172 | 100 | 205 | 120 | 90 | 28(35) | 11 | 95 | 72 | 112 | 115 | 57 | 36.5 | 70 | 60 | 23 | 165 | 120 | 86 | 50 |
| 040/090 | 206 | 100 | 238 | 140 | 100 | 35(38) | 11 | 110 | 74 | 130 | 130 | 67 | 36.5 | 70 | 60 | 23 | 182 | 140 | 103 | 50 |
| 050/110 | 255 | 120 | 295 | 170 | 115 | 42 | 14 | 130 | 一 | 144 | 165 | 74 | 43.5 | 80 | 74 | 30 | 225 | 155 | 127.5 | 60 |
| 063/130 | 293 | 144 | 335 | 200 | 120 | 45 | 19 | 180 | 一 | 155 | 215 | 81 | 53 | 95 | 90 | 40 | 245 | 170 | 146.5 | 72 |
| 063/150 | 340 | 144 | 400 | 240 | 145 | 50 | 19 | 180 | 一 | 185 | 215 | 96 | 53 | 95 | 90 | 40 | 275 | 200 | 170 | 72 |
Outline dimension table 2
| DRV | N | N1 | O | O1 | P | Q | R | S | T | V | PE | α | b | b1 | t | t1 | m | Kg |
| 025/030 | 57 | 48 | 30 | 25 | 75 | 44 | 6.5 | 21 | 5.5 | 27 | M6x10(n=4) | 0° | 5 | 一 | 16.3 | 一 | 一 | 32.5 |
| 025/040 | 71.5 | 48 | 40 | 25 | 87 | 55 | 6.5 | 26 | 6.5 | 35 | M6x10(n=4) | 45° | 6 | 一 | 20.8(21.8) | 一 | 一 | 43 |
| 030/040 | 71.5 | 57 | 40 | 30 | 87 | 55 | 6.5 | 26 | 6.5 | 35 | M6x10(n=4) | 45° | 6(6) | 3 | 20.8(21.8) | 10.2 | 一 | 43 |
| 030/050 | 84 | 57 | 50 | 30 | 100 | 64 | 8.5 | 30 | 7 | 40 | M8x10(n=4) | 45° | 8(8) | 3 | 28.3(27.3) | 10.2 | 一 | 53.5 |
| 030/063 | 102 | 57 | 63 | 30 | 110 | 80 | 8.5 | 36 | 8 | 50 | M8x14(n=8) | 45。 | 8(8) | 3 | 28.3(31.3) | 10.2 | 一 | 53.5 |
| 040/075 | 119 | 71.5 | 75 | 40 | 140 | 93 | 11 | 40 | 10 | 60 | M8x14(n=8) | 45° | 8(10) | 4 | 31.3(38.3) | 12.5 | 一 | 63.5 |
| 040/090 | 135 | 71.5 | 90 | 40 | 160 | 102 | 13 | 45 | 11 | 70 | M10x18(n=8) | 45° | 10 | 4 | 38.3(41.3) | 12.5 | 一 | 84.5 |
| 050/110 | 167.5 | 84 | 110 | 50 | 200 | 125 | 14 | 50 | 14 | 85 | M10x18(n=8) | 45° | 12 | 5 | 45.3 | 16 | 一 | 84.5 |
| 063/130 | 187.5 | 102 | 130 | 63 | 250 | 140 | 16 | 60 | 15 | 100 | M12x21(n=8) | 45° | 14 | 6 | 48.8 | 21.5 | M6 | 85 |
| 063/150 | 230 | 102 | 150 | 63 | 250 | 180 | 18 | 72.5 | 18 | 120 | M12x21(n = 8) | 45° | 14 | 6 | 53.8 | 21.5 | M6 | 87 |
Note: the weight of electric motor is not included in the weight (kg).